139-2103-4931
当前位置:首页 > 产品中心 > 干燥设备系列
  • 方形静态真空干燥机
  • 方形静态真空干燥机

FZG方形静态真空干燥机

所属分类:干燥设备系列

产品简介:FZG方形静态真空干燥机,将被干燥物料处于真空条件下进行加热干燥。它利用真空泵进行抽气抽湿,使工作室处于真空状态,物料的干燥速率大大加快,同时也节省了能源。真空干燥设备分为静态干燥和动态干燥机…

联系我们

工作原理

  FZG方形静态真空干燥机,将干燥物料处于真空条件下,进行加热干燥。如果利用真空泵进行抽气抽湿,则加快了干燥速度。

  注:如采用冷凝器.物料中的溶剂可通过冷凝器加以回收,如溶剂为水,可不用冷凝器,节省能源投资。

性能特点

◎真空下物料溶液的沸点降低.使蒸发器的传热推动力增大.因此对一定的传热量可以节省蒸发器的传热面积。

◎蒸发操作的热源可采用低压蒸汽或废热蒸汽。

◎蒸发器热损失少。

◎在干燥前可进行消毒处理,干燥过程中无任何不纯物污入,符合GMP要求。

◎属于静态式真空干燥器.故干燥物料的形体不会损坏。

适应物料

适用于在高温下易分解,聚合和变质的热敏性物料的低温干燥;被广泛地采用在制药、化工、食品、电子等行业。

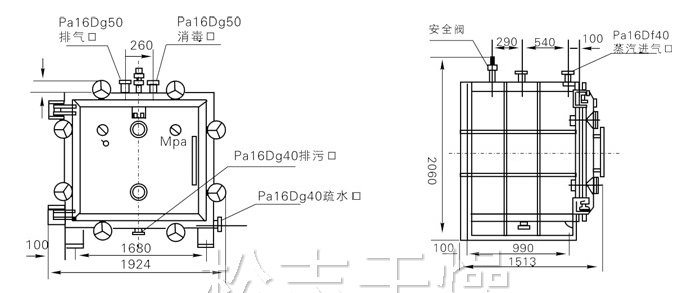
结构示意图

方形静态真空干燥机结构示意图

技术规格

名称/规格 FZG-10 FZG-15 FZG-20
干燥箱内尺寸 1500×1060×1220 1500×1400×1220 1500×1800×1220
干燥箱外尺寸 1513×1924×1720 1513×1924×2060 1513×1924×2500
烘架层数 5 8 12
层间距离 122 122 122
烘盘尺寸 460×640×45 460×640×45 460×640×45
烘盘数 20 32 48
烘架管内使压 ≤0.784 ≤0.784 ≤0.784
烘架使用温度 35-150 35-150 35-150
箱内空载真空度 -0.09~0.096
在-0.1MPa,加热温度110℃时,水的气化率 7.2 7.2 7.2
用冷凝器时,真空泵型号,功率 2X-70A / 5.5KW 2X-70A / 5.5KW 2X-90A / 2KW
不用冷凝器时,真空泵型号,功率 SK-3 / 5.5KW SK-6 / 11KW SK-6 / 11KW
干燥箱重量 1400 2100 3200

注:水环式真空泵与机械增压联用,以提高真空度。

订货须知

◎订货时请根据干燥物料的物性初含水率终含水率、温度真空度干燥量干燥时间等因素选择合适的真空干燥器。同一种型号的真空干燥机中分别有蒸气热水导热油 电加热四种加热方式。例如为了增加干燥量可适当增加烘架层数请及时向我厂提出。

◎在使用说明书上述的真空干燥系统中的附件我厂均可为用户提供和安装.请在订货时说明。

◎本司可对用户提出的真空干燥系统中的特殊要求提供设计制造与安装。

◎本司设备对用户实行质量三保.一切配件,长期提供、敬请用户放心。

应用客户
视频集锦
    暂无记录...
动画演示
相关工程
暂无记录...

在线反馈

相关文章
  • 2025-05-30 09:15:36

    一、操作流程1. 启动前准备设备检查:确认各部件(如进料口、出料口、旋风分离器、布袋除尘器)密封良好,无松动或泄漏。润滑检查:检查风机、电机、旋转阀等设备的润滑油位,确保正常且无渗漏。加热系统:验证蒸汽管道、阀门及疏水器正常,无泄漏,保证蒸汽供应稳定。清…

  • 2025-04-23 14:32:36

    选型:在选择盘式干燥机时,应根据物料的性质(如粒度、湿度、粘度等)、干燥要求(如干燥温度、干燥时间等)和生产规模等因素进行综合考虑。同时,还需考虑设备的材质、密封性、耐腐蚀性等因素,以确保设备的长期稳定运行。维护:定期对盘式干燥机进行维护和保养是确保其…

  • 2025-03-14 14:26:42

    高速喷雾干燥机出粉率分析及影响因素高速喷雾干燥机的出粉率(即干燥后粉体产量与进料液中固形物含量的比值)是评估设备性能和工艺效率的核心指标。其出粉率通常受设备设计、工艺参数、物料特性及操作管理等多重因素影响,以下从专业角度详细分析:一、高速喷雾干燥机出粉…

  • 2025-02-10 14:08:46

    带式干燥机的设备性能对出粉率的影响是多维度的,其核心在于通过优化热质传递效率、物料处理均匀性及设备运行稳定性,减少干燥过程中的物料损耗和品质劣化。以下从关键性能参数、工艺适配性及维护管理三方面展开分析:一、核心设备性能参数对出粉率的直接影响温度控制系统…

  • 2025-01-13 14:03:36

    带式干燥机作为一种连续式干燥设备,凭借其高效、灵活、稳定的特点,在多个行业中实现了广泛应用。以下从核心优势、行业应用案例及技术适配性三个维度,系统阐述其应用范围:一、设备核心优势与适用物料特性带式干燥机通过热风穿透物料层实现热量与质量传递,其核心优势包…

  • 2024-12-06 13:48:59

    提高喷雾干燥机的处理效率需从工艺优化、设备改造、操作控制三方面协同推进,以下是具体策略及数据支撑:一、工艺参数优化:精准匹配物料特性雾化系统升级雾化器选型:针对高粘度物料(如中药浸膏),采用高压泵(压力≥15MPa)+ 喷嘴组合,雾化粒径可控制在50-100μm,干…

Copyright 2025 常州市松志干燥设备有限公司 苏ICP备2025202344号-1 版权声明
技术支持:江苏东网科技